ATV630_650_Installation_manual_EN_EAV64301_06 ATV630 650 Installation

Atv630 Manual. ATV630_650_Installation_manual_EN_EAV64301_06 ATV630 650 Installation Languages: English | Version: 12 Document Reference: EAV64301 Failure to follow these instructions will result in death or serious injury

ATV630_650_Installation_manual_EN_EAV64301_06 ATV630 650 Installation
ATV630_650_Installation_manual_EN_EAV64301_06 ATV630 650 Installation from usermanual.wiki

Installation manual for Altivar Process ATV630 and ATV650 variable speed drives We have 2 Altivar Process ATV630 manuals available for free PDF download: Installation Manual, Function Manual Altivar Process ATV630 Installation Manual (95 pages)

ATV630_650_Installation_manual_EN_EAV64301_06 ATV630 650 Installation

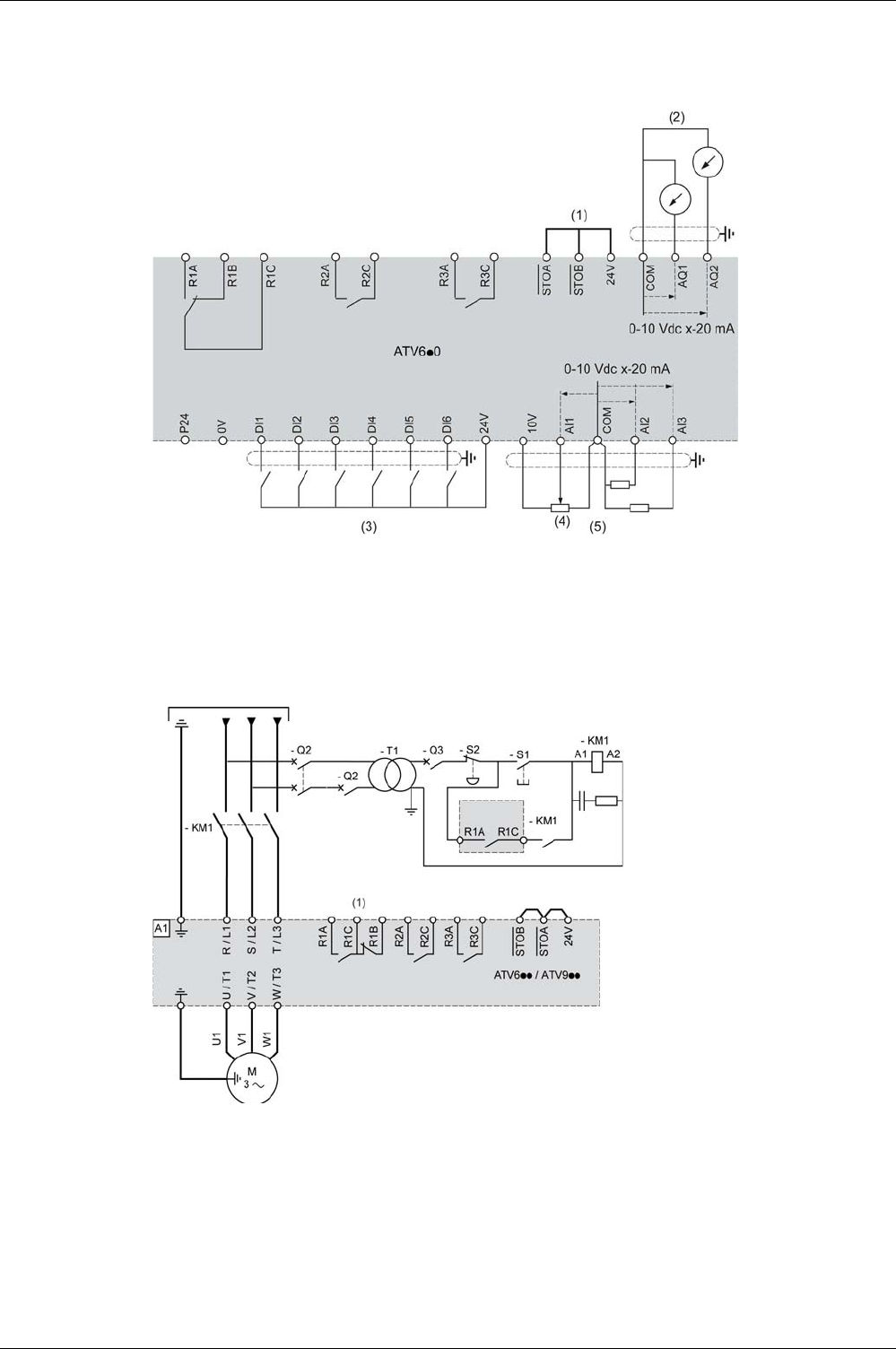
86 EAV64301 06/2016 Floor Standing Drive Circuit Diagram The following diagram shows the typical wiring of the drive ATV630pppS6, ATV630 pppY6, ATV650pppppp u 100 mm (3.9 in.) u 100 mm (3.9 in.) u 10 mm (0.39 in.) Variable Speed Drives Embedded Safety Function Manual

ATV630_650_Installation_manual_EN_EAV64301_06 ATV630 650 Installation. Includes technical data, mounting, wiring, and EMC information. Page 1 Altivar Process EAV64301 01/2015 Altivar Process Variable Speed Drives ATV630, ATV650 Installation Manual 01/2015 www.schneider-electric.com

ATV630_650_Installation_manual_EN_EAV64301_06 ATV630 650 Installation. Failure to follow these instructions will result in death or serious injury 86 EAV64301 06/2016 Floor Standing Drive Circuit Diagram The following diagram shows the typical wiring of the drive